


产品详情
产品介绍
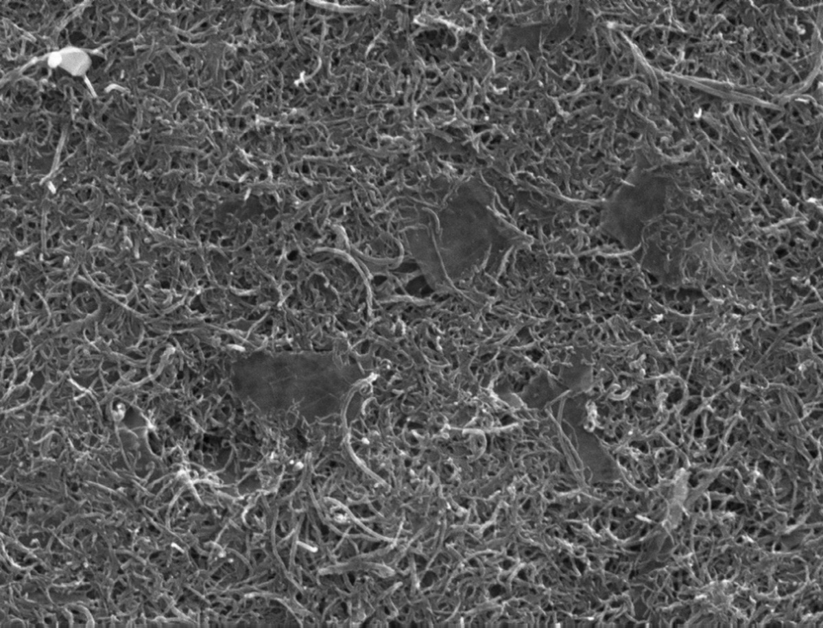
• ⽯墨烯/碳纳⽶管复合导电浆料由⽯墨烯、碳纳⽶管、分散剂、溶液介质等数种成分经过特殊的分散设备及⼯艺制备⽽成,具有⾼流动性、存储性及⾼稳定性。
• 针对客⼾不同应⽤领域需求,可提供⼀系列不同种类导电浆料。使⽤不同尺⼨、厚度的⽯墨烯及不同管径、管长的碳纳⽶管制备的导电浆料,分别适⽤于各类三元动⼒电池、铁锂类动⼒电池、⾼端数码电池、储能电池等产品。
特点应用
• 采用液相剥离法制备石墨烯,成本低、缺陷少、高导电性;选用特定管径、管长的碳纳米管,更高导电性。
• 特定配比及分散剂,有效提升导电性能。
• 浆料具有高稳定性、长存储性,易于分散;金属杂质少,使用添加量低。
• 特殊的分散工艺,浆料分散更均匀、粒径分布更窄。
• 有效提高电池充放电倍率、循环性能、能量密度,有效提升电池安全性能。
主要技术参数
| LF产品型号 | LFE111-A | LFE111-B | LFE111-C | LFE111-D | LFE201-A | LFE211-B | |
| 固含量(wt%) | 5.00±0.20 | 5.60±0.20 | 5.375±0.20 | 4.13±0.20 | 6.25±0.20 | 6.00±0.25 | |
| 碳含量(wt%) | 4.00±0.20 | 4.00±0.20 | 4.30±0.20 | 2.80±0.20 | 5.00±0.20 | 5.00±0.20 | |
| 分散剂含量(wt%) | 1.00±0.05 | 1.60±0.05 | 1.075±0.05 | 1.33±0.05 | 1.25±0.05 | 1.00±0.05 | |
| 粘度(mpa·s) | ≤5000 | ≤5000 | ≤5000 | ≤5000 | ≤5000 | ≤5000 | |
| 水分(ppm) | ≤1000 | ≤1000 | ≤1000 | ≤1000 | ≤1000 | ≤1000 | |
| 磁性析出物(ppm) | ≤0.5 | ≤0.5 | ≤0.5 | ≤0.5 | ≤0.5 | ≤0.5 | |
| 杂质元素含量(ppm) | Fe | ≤5 | ≤5 | ≤5 | ≤5 | ≤5 | ≤5 |
| Co | ≤20 | ≤20 | ≤20 | ≤20 | ≤150 | ≤20 | |
| Ni | ≤2 | ≤2 | ≤2 | ≤2 | ≤5 | ≤3 | |
| Cu | ≤2 | ≤2 | ≤2 | ≤2 | ≤2 | ≤3 | |
| Zn | ≤2 | ≤2 | ≤2 | ≤2 | ≤2 | ≤3 | |
| Cr | ≤2 | ≤2 | ≤2 | ≤2 | ≤2 | ≤3 | |
*具体规格参数可以根据客⼾需求定制